天津渤化众泰安全技术股份有限公司

设为首页 | 收藏本站
 
招聘信息
强强联手
文章附图

中国林业集团公司是国务院国资委管理的中央企业,主要经营速生丰产林培育,国外森林资源开发,木竹及其制品、人造板、家具...

文章附图

天津泰达工程管理咨询有限公司是一家为工程建设项目提供全过程服务的专业工程管理咨询公司。公司业务主要涉及项目管理、工...

文章附图

天津住宅集团是天津市建设领域国有大型骨干企业。是以住宅产业化为发展方向,以房地产开发经营、新型建材与住宅部品制造、...

文章附图

中海油天津化工研究设计院有限公司(原化学工业部天津化工研究院)创建于1958年,是原化学工业部直属的专业从事工业水...

文章附图

天津渤海职业技术学院是一所全日制公办高等院校,学院有着近60多年的办学历史,是天津市首批“示范院校”建设单位,是天...

文章附图

天津安固密封技术有限公司(简称“天津安固”)成立于2003年,坐落在滨海新区高新产业园区,是一家专门从事危险化学品...

文章附图

天津渤海化工集团有限责任公司劳动卫生研究所(以下简称劳卫所)隶属天津渤海化工集团有限责任公司,是天津市科委所属的社...

文章附图

天津双安劳保橡胶有限公司前身为天津市劳动保护橡胶厂,始建于1956年,历史悠久,是国内早期从事劳动防护产品开发、生...

文章附图

 天津渤天化工有限责任公司是国家级大型氯碱企业,自1938年建厂,迄今有近70年的历史,隶属天津渤海化工(集团)...

文章附图

天津渤化资产经营管理有限公司(简称“资产公司”),是天津渤海化工集团有限责任公司的全资子公司,是国有法人独资公司,...

文章附图

该公司前身是始建于1939年的天津大沽化工厂,2004年3月实施股份制改造,分别组建了天津大沽化工股份有限公司和天...

文章附图

天津渤化永利化工股份有限公司是一家拥有近百年发展历史的国有大型化工企业,是由被毛泽东主席盛誉为“工业先导,功在中华...

文章附图

     作为渤化众泰的母公司,天津渤海化工集团公司是中国特大型企业集团,列居中国500强企业第147位,年营销额...

文章附图

渤化众泰公司简介 厚积薄发孕众泰,心无旁骛铸平安。融百年文化之积淀,沐安全发展之东风,天津渤化众泰安全技术股份有限...

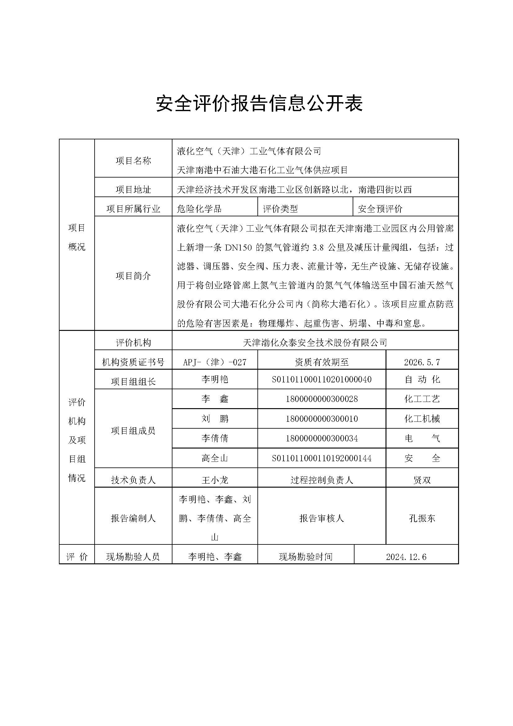
液化空气(天津)工业气体有限公司 天津南港中石油大港石化工业气体供应项目安全评价

来源:项目名称液化空气(天津)工业气体有限公司 天津南港中石油大港石化工业气体供应项目

安全评价报告信息公开表-液化空气天津氮气管道项目_页面_1.jpg安全评价报告信息公开表-液化空气天津氮气管道项目_页面_2.jpg

文章分类: 项目公示